AV CAD

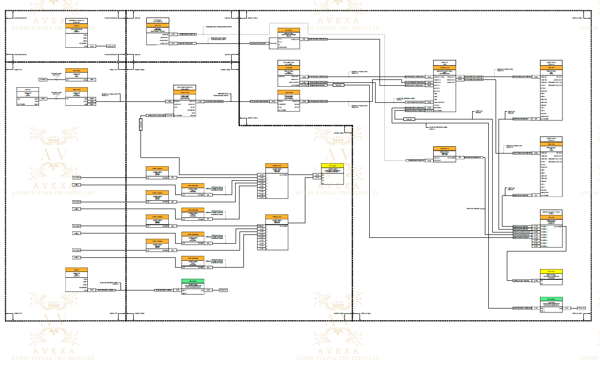
As a firm that provides audio-visual integrators and consultants with outsourced CAD services, we are dedicated to meeting the specific demands of our clients with superior results. For AV projects, we offer CAD services that include complete floor and ceiling drawings, wall elevations, control flow diagrams for audio, video, and lighting, among other things.

AV CAD Services

Deliverables

  • Floor/Ceiling Plans
  • Wall Elevations
  • Audio/Video Flow Diagrams
  • Control Flow Diagrams
  • Cable Riser Diagrams
  • Rack Elevation
  • Equipment Detail Drawings
  • Custom Plates Detail Drawings
  • New Block Creations